描绘小灯泡的伏安特性曲线。了解金属的电阻随温度变化的特性
在温度不变的情况下,金属电阻的伏安特性曲线为过原点的直线。当灯丝发热温度升高时,其伏安特性曲线与直线发生显著差别,表明灯丝的电阻值有随温度变化的非线性特性。
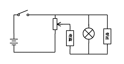
实验电路有分压法和限流法,电路原理图分别如下:

1.钨丝灯泡的伏安特性图线是一条什么曲线,表明通过它的电流强度与加在它两端的电压存在着怎样的关系。
2.由实验数据计算出各个状态下灯泡的电阻R,发现随着电压U和电流I的增大,钨丝的电阻是怎
样变化的. 这是由于什么原因造成的。
3.从本实验的结果可以看出,描绘这条曲线时,自变量U可以不采用等间隔选取的方法。试绘出这条曲线。
实验器材:
GQY数据采集器,GQY电学实验板(J-27-1),电流传感器1个,电压传感器1个,导线若干、USB联接线1根、传感器联接线2根。
注:此实验电路也可用GQY电学实验板及附件(J-27)搭建。线路图如下

实验
步骤:
1、上图把电路连接好。变阻器旋钮顺钟向旋到底,使变阻器处于电阻最大值位置(接接通电源时灯不发光)
2、压传感器和电流传感器分别接入数据采集器。
3、使用单机运行平台软件做此实验,★ 请进行“GQY实验必备操作” ★打开专用模板。
4、开关断开时,参照产品使用说明书第四部分:单机运行平台操作说明——传感器校零,对电压、电流传感器进行校零。
5、通电路,点击开始按钮
开始实验。采集到U(I)-t坐标中显示电压和电流的曲线。旋转变阻器的旋钮,减小滑动变阻器的阻值。此时可见到U(I)-t坐标中电压、电流变化的曲线,得出实验曲线,点击
结束实验。
点“U-I图”,界面显示U-I坐标系。

6、同时标上采集到的数据点。
7、图线,可得出实验结论,随着小灯泡实际功率增大,灯丝的温度的升高,灯变亮,灯丝的阻值不断增大。
