测量未知电阻值的电阻的阻值及其V-A特性曲线
根据欧姆定律,R=U/I.
实验器材:GQYeLab采集器,电压传感器,电流传感器。GQY电学组合实验板,待测电阻,电源,连接导线。
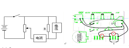
实验原理图/实验装置图


实验步骤:
1.将电压传感器传感器和电流传感器分别用两根1394数据线接入GQY数据采集器的1号接口和2号接口;再将GQY数据采集器的usb接口用一根usb线接入电脑的usb接口,并且将GQY数据采集器的电源接通,开启GQY数据采集器。
使用单机运行平台软件做此实验,★ 请进行“GQY实验必备操作”★,打开研究定值电阻的伏安特性曲线的专用模板。按实验装置图连接好设备。
2.当电路开关断开时,参照产品使用说明书第四部分:单机运行平台操作说明――传感器校零,对电压、电流传感器进行校零。
3.按图连接好线路,变阻器(电位器)逆时针旋到底使电阻最大。
4.点击“
”开始实验,接通电路开关。较快顺钟向旋动调节滑动变阻器,得出图线。点击“
”结束实验。
5.观察并总结出导体的伏安特性图线的特点。根据公式这些点应该在一条直线上,因此可以对这些点进行线性拟合,得出直线方程来协助我们分析这些点。
6.点击进入电功率-电流页面,可以观察电功率和电流的图像。根据,因此这些点应该在一条二次曲线上。这里我们可以做一个二次曲线拟合来协助我们分析。
